隨著航空航天工業的迅猛發展,新型高推重比航空發動機對高溫鈦合金提出了越來越高的要求,為此,世界各國都在競相發展600℃及以上高溫長時間使用的高溫鈦合金,例如英國的 IMI834 合金,美國的 Ti1100、Ti-6242S 合金,俄羅斯的BT36合金以及中國的Ti60、Ti600合金等。Ti60合金是由寶鈦集團和中科院金屬研究所聯合研制的一種Ti-Al-Sn-Zr-Mo-Nb-Ta-Si系近α型的600℃高溫鈦合金。該合金用高合金化、和復合強化方式,在Ti-Al-Sn-Zr的基礎上同時加入一定量的Ta、Nb及Mo三種同晶型高熔點的β穩定元素,通過這三種穩定元素與α穩定元素Al及中性元素Sn和Zr等合金元素搭配和共同作用,使合金成為集細晶強化、固溶強化和第二相(α2和硅化物)彌散強化于一身的多元復合強化的一種熱強鈦合金。塑性成形結構件的顯微組織狀態決定其使用性能,材料的顯微組織是由材料變形時的變形溫度及變形量以及隨后的熱處理制度所決定。本文作者主要研究了變形溫度對Ti60鈦合金Φ350mm大規格棒材的顯微組織、力學性能及探傷水平的影響,在研究該合金大規格棒材變形工藝的同時,也為該合金棒材的擴展應用提供了設計數據。
1、?實驗
1.1 實驗材料
實驗采用寶鈦集團真空自耗電弧爐3次熔煉的Ti60合金鑄錠(Ф700mm),其化學成分(質量分數/wt%)滿足 :5.2 ~ 6.2Al、3.0 ~ 4.5Sn、2.5 ~ 4.0Zr、0.2 ~ 1.0Mo、0.20 ~ 0.6Si、0.20 ~ 1.5Ta、0.20 ~ 0.7Nb、0.02 ~ 0.08C,余量為Ti。采用金相法測得該合金相變點(α+β)/β為 :1040 ~ 1050℃。
1.2 實驗方案
鑄錠在單相區采用鐓拔工藝進行開坯鍛造,變形量控制在60 ~ 80%,同樣采用鐓拔工藝在α+β兩相區進行中間鍛造,變形量控制在50 ~ 70%。在坯料上切取相同規格的兩塊試驗料,利用相同的加熱和鍛造設備,采用A、B(見表1)兩種鍛造工藝生產Φ350mm的Ti60大規格棒材。在棒材本體上切取Ф350×20mm的試樣片,試樣片經1020℃ /2h,AC+700℃ /2h,AC熱處理。利用OLYMPUSGX71金相顯微鏡對棒材邊部、3R/4、R/2、R/4及心部的五個部位處的橫,縱向顯微組織進行觀察。金相試樣腐蝕劑為V(HF)∶V(HNO3)∶(H2O)=1∶3∶10。在試片R/2位置取弦向,力學性能試樣進行室溫拉伸、高溫拉伸、熱穩定和蠕變性能測試,熱穩定性能測試,采用試樣熱暴露方式。

2、?實驗結論與討論
2.1 鍛造工藝對顯微組織的影響
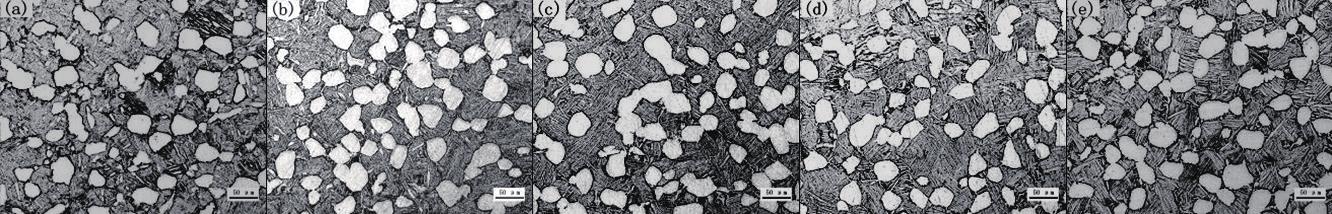
兩種鍛造工藝所生產棒材熱處理后的顯微組織如圖1 ~ 4所示。熱處理后,兩種鍛造工藝的生產的棒材的組織類型均為均勻的雙態組織,其原始β晶粒得到充分破碎,這說明兩種變形工藝變形量足夠充分。
從圖1、3可以看出方案A各部位組織較為均勻,縱、橫向組織無明顯差異,初生α相以球狀、條狀存在,大小差異較大,邊界為毛刺狀,相互之間存在未斷開現象,體積分數約為20%。由圖2、4可以看出方案B各部位的縱、橫向組織無明顯差異,初生α相以球狀存在,且邊界清楚,相互之間基本斷開,除了少部分較小外,其余大小相近,體積分數約為30%。
造成兩種鍛造方案棒材顯微組織差異的主要原因是變形溫度,方案B變形溫度高于方案A,方案B在加熱過程中儲備的能量高于方案A,相對于方案A來說,方案B的相界擴散能力強,晶界活動性大,原子擴散能力強,晶界移動速率大,這就使得大晶粒吞并附近的小晶粒能力增加,而使晶粒尺寸增加而數量減少,初生ɑ相間充分斷開,其形狀更趨于等軸狀。
2.2 鍛造工藝對力學性能的影響
表2 ~ 3為兩種工藝所生產棒材R/2處弦向的室溫、高溫拉伸及熱穩定性能。由測試結果可以看出方案A各項性能指標均優于方案B。

圖1 A方案Ti60鍛棒不同部位的橫向顯微組織

圖2 B方案鍛棒不同部位的橫向顯微組織

圖3 A方案鍛棒不同部位的縱向顯微組織

圖4 B方案鍛棒不同部位的縱向顯微組織
由顯微組織可以看出,方案A所得到組織中的原始β晶粒及初生α相的尺寸明顯小于方案B,初生α相以大小不一的且不規則的球狀、條狀存在。鈦合金機械性能受顯微組織的影響較大,M.A Greenfield[1]指出α相顆粒之間的平均自由路程(λ)對合金的拉伸塑性起著重要的作用,拉伸變形較小時,在等軸α相和轉變β組織間的相界面上易形成空洞,隨著拉伸變形程度的增加,這些空洞沿著相面長大,α相顆粒對空洞長大起到阻礙作用,初生α相顆粒越多,平均自由路程越短,空洞長大過程中遇到的阻礙就越多,因此,拉伸試樣在斷裂前產生更大塑形變形,從而獲得更高的拉伸塑形。作者還認為,在兩個α相顆粒之間,空洞沿著片狀α集團的邊界長大,α相顆粒的數量越多,他們之間的平均自由路程(λ)越短,且β轉變組織中的α和β片層較薄,長度較短,擁有更多的相界面,空洞長大過程中遇到的阻礙就越大,拉伸試樣在斷裂前產生更大塑性變形,故拉伸塑性更高。這就很好的解釋了方案A拉伸塑形優于方案B的原因。
表4所列為兩種工藝生產的棒材R/2處弦向的蠕變性能。測試結果顯示,方案A蠕變性能略優于方案B。影響該合金蠕變性能的關鍵因素是合金成分微區分布與相界/晶界密度以及第二強化相[2-4] 。本次試驗兩種方案所用材料化學成分微區分布基本相同,采用熱處理制度相同,第二強化相對其影響基本相同。從圖1 ~ 4的顯微組織可以看出,方案A的相界及晶界密度明顯大于方案B, 即相界面/晶界面密度是造成方案A方案優于B的主要原因。

2.3 鍛造工藝對探傷的影響
兩種棒材的超聲波檢驗結果見表5。由表5可見,方案A結果明顯高于方案B.超聲波在介質中傳播遵循波的共同傳播規律,在傳播過程中如果遇到障礙物,就可能對波的傳播產生影響,并且這種影響與障礙物的大小有密切關系,如果障礙物的尺寸遠小于超聲波的波長,則障礙物對超聲波的傳播幾乎不產生影響 ;相反障礙物的尺寸與超聲波的波長相當或遠大于超聲波的波長時,超聲波將發生散射、反射和透射。本次實驗采用接觸法利用CTS-23B型超聲波探傷儀和單探頭4P14行檢驗。超聲波平率為5MHZ,波長約為1.2mm。由顯微組織圖1 ~ 4看,方案A組織晶粒及初生α相顆粒明顯小于方案B,方案A組織晶粒大小均勻,基本在50um左右,初生α相顆粒直徑在15 ~ 30um,方案B組織晶粒較大,并且各部位均勻性差,各部位存在明顯差異,個別晶粒尺寸達到300um,初生α相顆粒基本為直徑40 ~ 50um。由顯微組織可以看出,兩種方案組織中的初生α相晶粒直徑遠小于超聲波的波長,不是引起方案B雜波水平較高的主要原因,或者說在這兩種方案下的顯微組織,初生α相顆粒大小對超聲檢驗雜波水平的影響可以忽略。
造成方案B雜波水平較高的主要原因是組織中的原始β晶粒,組織存在粗大的晶粒及各部位組織不均勻影響了超聲波的傳播,造成雜波水平較高。
3?、結語
Ti60鈦合金Φ350mm規格棒材采用Tβ-40℃進行α+β兩相區鍛造,其組織晶粒更細小均勻,力學性能及探傷水平均優于采用Tβ-20℃進行α+β兩相區鍛造的棒材。
參考文獻:
[1] M.A Greenfield,c.m.Pierce,J.A.Hall,The effect of Microstructure on the control of Mechanical Properties in alpha-beta Titanium Alloys, Titaninm Science and Technology,vol.3,Plenum Press, 19973, pp2081 ~ 2096 .
[2] ES-SOUNI M.Creep deformation behavior of three high-temperature near α-Ti alloys[J]. Metall Mater Trans A,2001,2A:285-293.
[3] EVANS W J. Optimizing mechanical properties in alpha+betatitanium alloys[J]. Mater Sci Eng A,1998,243:89-96.
[4] DOWSON A L, HOLLIS A C,BEAVERS C J. The effect of the alpha-phase volume fraction and stress ration on the fatigue crack growth characteristics of the near-alpha IMI 843Ti alloys[J].Int J Fatigue,1992,14:261-270.
相關鏈接
- 2024-06-27 熱處理工藝對大規格TC17鈦合金棒材組織與力學性能的影響
- 2024-06-12 航空用超大規格TC18鈦合金棒材的制備及組織性能研究
- 2024-06-11 鍛造溫度對TA5-A鈦合金棒組織及性能的影響
- 2024-05-15 顯微組織類型對TB17鈦合金棒力學性能的影響
- 2024-05-09 固溶時效溫度對TB6鈦合金棒材組織及力學性能的影響
- 2024-05-08 TA15鈦合金棒材不同部位的組織與拉伸性能的差異
- 2024-04-24 Ti60鈦合金棒材中的織構及其對拉伸性能的影響
- 2024-04-24 航空用TC11鈦合金棒料缺陷分析
- 2024-04-20 軋制和熱處理工藝對TC4鈦合金棒材超聲聲速的影響
- 2024-04-19 體育器材用Ti60鈦合金棒高溫塑性性能和微觀組織試驗研究

