產品系列
- 32.768KHz
- 石英晶振
- 貼片晶振
- 聲表面濾波器
- 陶瓷晶振
- 陶瓷霧化片
- 陶瓷濾波器
- 微孔霧化片
- CTS晶振
- KDS晶振
- 愛普生晶振
- 西鐵城晶振
- 精工晶體
- 村田晶振
- 京瓷晶振
- DST310S晶振
- 日本大河晶體
- NDK晶振
- 亞陶晶振
- 日本富士晶振
- NAKA晶振
- SMI晶振
- NKG晶振
- NJR晶振
- 臺灣加高諧振器
- 臺灣鴻星晶體
- TXC晶振
- 臺灣希華晶振
- 臺灣泰藝晶體
- NSK晶振
- AKER晶振
- Dynamic迪拉尼晶振
- Q-Tech晶振
- ABRACON晶振
- VECTRON晶振
- JAUCH晶振
- ConnorWinfield晶振
- Rakon晶振
- ECS晶振
- Greenray晶振
- ECLIPTEK晶振
- GOLLEDGE晶振
- STATEK晶振
- Pletronics晶振
- SITIME晶振
- Microcrystal晶振
- RALTRON晶振
- AEK晶振
- AEL晶振
- ILSI晶振
- FOX晶振
- fujicom晶振
- CRYSTEK晶振
- interquip晶振
- Geyer晶振
- quartzcom晶振
- qantek晶振
- EUROQUARTZ晶振
- quarztechnik晶振
- Cardinal晶振
- FRE-TECH晶振
- KVG晶振
- wi2wi晶振
- Transko晶振
- suntsu晶振
- mmdcomp晶振
- MERCURY晶振
- MTRONPTI晶振
- ACT晶振
- MTI晶振
- Lihom晶振
- Rubyquartz晶振
- Oscilent晶振
- SHINSUNG晶振
- ITTI晶振
- PDI晶振
- IQD晶振
- Microchip晶振
- Silicon晶振
- Anderson晶振
- Fortiming晶振
- CORE晶振
- NIPPON晶振
- NIC晶振
- QVS晶振
- Bomar晶振
- Bliley晶振
- GED晶振
- FILTRONETICS晶振
- STD晶振
- Wenzel晶振
- NEL晶振
- EM晶振
- PETERMANN晶振
- FCD-Tech晶振
- HEC晶振
- FMI晶振
- Macrobizes晶振
- AXTAL晶振
- SUNNY晶振
- ARGO晶振
- Renesas瑞薩晶振
- SKYWORKS晶振
晶振廠家
進口晶振
臺產晶振
歐美晶振
Tel:0755-27838351
Add:廣東深圳市寶安區67區留仙一路甲岸科技園3棟5樓
Email:konuaer@163.com
QQ:632862232
晶振官方博客
更多>>.jpg)
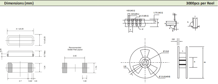
AEL晶振,PSX-415晶振,音叉晶振.普通貼片石英晶振外觀使用金屬材料封裝的,具有高穩定性,高可靠性的石英晶體諧振器,晶振外觀本身使用金屬封裝,充分的密封性能,可確保其高可靠性,采用編帶包裝,外包裝采用朔膠盤,可在自動貼片機上對應自動貼裝等優勢.
石英晶振多層、多金屬的濺射鍍膜技術:是目前研發及生產高精度晶振、高穩定性32.768K石英晶體元器件——石英晶體千赫茲晶振必須攻克的關鍵技術之一.石英SMD晶振該選用何鍍材、鍍幾種材料、幾種鍍材的鍍膜順序,鍍膜的工藝方法(如各鍍材的功率設計等).使用此鍍膜方法使鍍膜后的晶振附著力增強,貼片晶振頻率更加集中,能控制在最小ppm之內.


AEL晶振有限公司是ISO 9002-2008認可的供應商,目前管理著廣泛的國際認可的藍籌客戶.我們與所有供應商建立了長期的合作關系,并擁有悠久的高品質和無故障供應歷史.我們的一些制造合作伙伴已經為AEL耐高溫晶振生產了超過10年的產品.這使我們能夠自信地提供一個批次的可靠性,質量,一致性和可重復性的可靠記錄.
.gif)
.gif)
| AEL晶振 | 單位 | PSX-415晶振 | 石英晶振基本條件 |
| 標準頻率 | f_nom | 32.768KHZ | 標準頻率 |
| 儲存溫度 | T_stg | -55°C~+125°C | 裸存 |
| 工作溫度 | T_use | -40℃~+85℃ | 標準溫度 |
| 激勵功率 | DL | 1.0μW Max. | 推薦:100μW ~ 300μW |
| 頻率公差 | f_— l | ±20ppm |
+25°C 對于超出標準的規格說明, 請聯系我們以便獲取相關的信息, http://m.tj-tzhy.cn/ |
| 頻率溫度特征 | f_tem | ±50× 10-6 /-30°C~+85°C | 超出標準的規格請聯系我們. |
| 負載電容 | C | 12.5pF | 不同負載要求,請聯系我們. |
| 串聯電阻(ESR) | R1 | 如下表所示 | -10°C— +60°C, DL = 100μW |
| 頻率老化 | f_age | ±5 × 10-6 / year Max. | +25°C,第一年 |
.gif)


裝載SMD產品
SMD晶體產品支持自動貼裝,但還是請預先基于所使用的搭載機實施搭載測試,確認其對特性沒有影響.在切斷工序等會導致基板發生翹曲的工序中,請注意避免翹曲影響到產品的特性以及軟焊.基于超聲波焊接的貼裝以及加工會使得貼片高精度晶振產品(諧振器、振蕩器,聲表面濾波器)內部傳播過大的振動,有可能導致特性老化以及引起不振蕩,因此不推薦使用.
引線類型產品
當引線彎折、成型以及貼裝到印制電路板時,請注意避免對基座玻璃部分施加壓力.否則有可能導致玻璃出現裂痕,從而引起性能劣化.
自動安裝時的沖擊
自動安裝和真空化引發的沖擊會破壞產品特性并影響這些進口石英晶體振蕩器.請設置安裝條件以盡可能將沖擊降至最低,并確保在安裝前未對產品特性產生影響.條件改變時,請重新檢查安裝條件.同時,在安裝前后,請確保石英平板電腦晶振未撞擊機器或其他電路板等.
晶體濾波器
注意電路板圖形的配置,避免輸入端子和輸出端子靠得太近.如果貼裝32.768K晶體濾光片的電路板的雜散電容較大,為了消除該雜散電容,有時需要配置調諧電路.如果過大的激勵電力對諧振器外加電壓,有可能導致特性老化或損壞,因此請在石英晶體諧振器的輸入電平在−10dBm以下的狀態下使用.
光學產品
由于制造過程中進行了灰塵等異物管理,因此包裝開封以后,請在進行清潔度管理的環境中使用.
AEL晶振集團保持就健康安全環境問題與臨近攝取進行對話.通過在環境控制方面實施優秀的管理實踐,以保護環境和全球運作相關的自然資源.向員工灌輸環境價值觀,在所有的晶振,石英晶振,有源晶振,壓控振蕩器產品和生產過程中應用最佳環境實用技術,為全球可持續發展做出貢獻.
我們將依據技術進步以及對安全、健康和環境科學全新的解釋持續地改進我們的業務.我們將追求在資源利用上的零廢物率.壓電石英晶體元器件、壓電石英晶體、有源晶體原材料將得到循環和再利用以最大限度地減少對其處理量,同時節約資源.在廢物的滋生地,廢物將被安全、負責地處理掉.
AEL晶振集團將有效率的使用自然資源和能源,以便從源頭減少廢物產生和排放.我們將在關注于預防環境和安全事故,保護公眾健康的同時,努力改進我們的操作.我公司將積極參與加強公眾環境、健康和安全意識的活動,提高公眾對普遍的環境、健康和安全問題的注意. 所有的經營組織都將積極應用國際標準以及適用的法律法規.為促進合理有效的公共政策的制訂實施加強戰略聯系
AEL晶振集團消除事故和環境方面的偶發事件,減少晶體諧振器、普通晶體振蕩器(SPAELO)材料廢物的產生和排放,有效的使用能源和各種自然資源,對緊急事件做好充分準備,以便及時做出反應.

.gif)
1.技術支持 2.客服咨詢
全方位技術指導,專業的技術支持讓您感受到 專業的銷售團隊,耐心為您解答任何疑問,讓您的
前所未有的后顧無憂. 消費得到保障.
3.質量保證,誠信為上 4.提升業績,降低成本
我司以“以科技為動力,以質量求生存”為理念. 為您的產品量身訂制,免費取樣,
為您做到低成本,高效率.

全方位技術指導,專業的技術支持讓您感受到 專業的銷售團隊,耐心為您解答任何疑問,讓您的
前所未有的后顧無憂. 消費得到保障.
3.質量保證,誠信為上 4.提升業績,降低成本
我司以“以科技為動力,以質量求生存”為理念. 為您的產品量身訂制,免費取樣,
為您做到低成本,高效率.

| 深圳市康華爾電子有限公司 |
| 電 話: +86-755-27838351 |
| 手 機:13823300879 |
| 傳 真: +86-755-27883106 |
| Q Q: 632862232 |
| MSN: konuaer@163.com |
| E-mail:konuaer@163.com |
| 網 址:http://m.tj-tzhy.cn |
| 地 址:廣東深圳市寶安寶安大道東95號浙商銀行大廈1905 |






銷售代表
售后服務